[10000ダウンロード済み√] ワイパー 途中で止まる 原因 107311-ワイパー 途中で止まる 原因
ワイパーが途中で止まる ディフェンダーで、ワイパースイッチを間欠にすると指をスイッチから離すとすぐにそこで止まってしまう。 通常のローやハイにしてもスイッチを切るとその場で停止してしまう・・・ こんな症状の時はこれが原因のことが多い 12モデルの不具合状況について 12年式B180S nightpackageに乗っています。 私のケースでは、走行kmで今の所特に不具合はないのですが、皆さんいかがでしょうか? 今ちょうど初回 車検 のタイミングで、保証プラスに入るか迷っています。 経験談を色々 日産 キューブのワイパーの故障?? 誰か詳しい方がいたらアドバイスをお願いします!! 日産cubeを3年前に新車で購入しました。最近になり、ワイパーの調子が悪くなりました。(動かしていても途中で止まったり動いたり。
メルセデス ベンツ W124 W1型メルセデスのモノワイパーは分解修理で安く直せる Maintenance Lab Archive メンテナンス ラボ アーカイブ
ワイパー 途中で止まる 原因
ワイパー 途中で止まる 原因-ニッサン エクストレイル:ヒータ作動不良 ニッサン エクストレイル:フューエルゲージの針が半分しか下がらない ニッサン エクストレイル:フロントワイパが動かない時がある 三菱 デリカスペースギア ワイパー途中で止まる修理 ワイパーモーター交換 松戸市(小林モータース 株式会社の作業実績18年06月07日)車検



メルセデス ベンツ W124 W1型メルセデスのモノワイパーは分解修理で安く直せる Maintenance Lab Archive メンテナンス ラボ アーカイブ
最安価格(税込):価格情報の登録がありません 価格com売れ筋ランキング:位 満足度レビュー:411(34人) クチコミ:233件 (※10月16日時点) 三菱 デリカスペースギア ワイパー途中で止まる修理 ワイパーモーター交換 三菱 デリカスペースギア ワイパーが途中で止まるとの事でご入庫です 症状としてはワイパーを動かした後offにすると、通常は元の位置まで 戻ってから止まりますが、それが 原因は・・・ L350Sのダイハツ・タントのワイパー作動不良。 ワイパーそのものは動くのですが、スイッチをOFFにすると、元の位置に戻らずOFFした瞬間にワイパーもその場で停止。 ワイパースイッチは問題なく切り替わるので、ワイパーモーターを点検
最高のコレクション ワイパー 途中で止まる 原因 1409ワイパー 途中で止まる 原因 車はレガシー、降雪地帯です。 ワイパーの停止位置が、正面に来ます。 動作はしますが、停止位置が真ん中だと気になって困ります。 原因、対策が分かりません。油圧機器におけるトラブルで代表的な症状と原因、その対策について説明させて頂きます。 ① ポンプのトラブル ②バルブのトラブル ③シリンダー等の摺動面からのオイル洩れ 油圧機器で起こるトラブルとしては、大きく上記の3種類が挙げられます。ワイパー 途中で止まる 原因 ワイパー 途中で止まる 原因
私の経験で原因として考えられるのは? ディーラーに持ち込んで診てもらう前に一応推測を立てる。 1ワイパーモーターの劣化:古い年式の車ではよくある不具合(モーター内ブラシの当たりが悪くなる) 2ワイパーリンクの曲がり:積雪時に雪をガラスワイパーのオートストップって言うのは、ワイパーが動いている途中にスイッチをOFFにしても きちんと一番下まで戻って来るやつです。 オートストップが効かない場合、ワイパーを動かしてOFFにするとその場所で 止まったままになってしまう。 ライトは消えるわワイパー途中で止まるわヒューズ切れるわで コンビネーションスイッチ交換です。 udの部品たけーなー・・毎回注文していいか本当に悩む。 で、手持ちの最小プーラーでも合わないので、ちょい工夫して脱着。



ワイパーモーター変更 これでワイパーは最後です tag rodをつくろう



車のワイパーが突然動かなくなった 5つの原因と対処方法 車の買取下取りドットコム
最高のコレクション ワイパー 途中で止まる 原因 1409ワイパー 途中で止まる 原因 車はレガシー、降雪地帯です。 ワイパーの停止位置が、正面に来ます。 動作はしますが、停止位置が真ん中だと気になって困ります。 原因、対策が分かりません。 車のワイパーが突然動かなくなった!5つの原因と対処方法 公開日:16年02月26日 更新日:21年03月日故障と修理方法, 電気系お手入れをした後、フィルター掃除ユニットが動きません。 お手入れによって、お掃除ユニットの位置がズレた可能性があります。 以下の対処方法をお試しください。 もう一度電源プラグを抜き、フィルターやホコリキャッチャーが正しく取り付けられ



ワイパー動かない 自分で直せる プロでもちょっと判断に迷う5つの故障原因 ブーマル



雪が降った時のワイパーの使用に注意 動かなくなるワイパーの原因と故障について Mho Engineering
車はレガシー、降雪地帯です。 ワイパーの停止位置が、正面に来ます。 動作はしますが、停止位置が真ん中だと気になって困ります。 原因、対策が分かりません。 よろしくお願いします。Bsa******** さん 1709 4 4 回答 ワイパーが途中で止まる 以前ワイパーを動かしてる時に紐が絡まってしまった事があって そこからワイパーの調子がおかしいです 知り合いに聞いたらモーター交換じゃない? と言われまし ワイパーが途中で止まる 以前ワイパーを動かしてワイパー 途中で止まる ワイパー動かない!自分で直せる?プロでもちょっと判断に ワイパーのスイッチを入れたのにモーターの音が全く聞こえない時、原因はヒューズ切れの可能性があります



ワイパーの状態は大丈夫 ワイパーと車検の関係 コバックニュース 車検のコバック



Ni U30 Wiper 途中で止まる Ogw Tas Netの日記
No127 CLクラス W215 CL600 ワイパー作動不良修理 ワイパー使用時突然動かなくなったり途中で止まるとの修理依頼です。 まずはDASにてテスター診断実施です。 テスターの診断ではワイパーモーターに関するエラーが入力されていました。 ですがこれだけで



ワイパーモータ オーバーホール For Mini 16 10 2追記 Garage Blog



ワイパーが動かない時がある コンピューター管理は快適だが修理不能 車の検査報告書



ワイパーゴムの寿命の目安はいつ 劣化の症状と防止についても解説



12アルファロメオ ジュリエッタ リアワイパー動作不具合 何故か途中で止まる なおそうやのブログ



ワイパーモーターの仕組み ミニキャブマンのブログ 車と農作業日記 ミニキャブマンのページ みんカラ



ワイパーが動かない時の原因 対処法 ダックス Glassstyle グラススタイル 公式サイト



雪が降った時のワイパーの使用に注意 動かなくなるワイパーの原因と故障について Mho Engineering



間欠ワイパーが途中で止まってしまい しばらくするとまた少し動く Yahoo 知恵袋



s30zのワイパーモーター修理 ティーコレクション ブログ



ワイパー切替 アーム停止位置を変更できます 冬場は重宝する場合も ホンダ レジェンド Kb1 グーネットピット



ワイパーを新品に替えたのに1ヶ月でビビリが 原因はこびりついた油膜だった コウイチロウは考えた



ワイパー動かない 自分で直せる プロでもちょっと判断に迷う5つの故障原因 ブーマル



2



ワイパーゴムに付いていた コの字型のパーツはなんですか 取り Yahoo 知恵袋



ワイパーが途中で止まる Mid Land



フィット アリア ワイパーが途中で止まってしまう グーネットピット



ワイパーの停止位置がずれる原因と停止位置の調整方法 車検や修理の情報満載グーネットピット



2月 21 Vanagonlife



ワイパーの回路について いまの車はインターバル タイマーが一定時間しかつ Okwave



Hys様 ワイパーが動かない 確認します スタッフブログ ローバーミニ専門店キャメルオート



フィット アリア ワイパーが途中で止まってしまう グーネットピット



メルセデス ベンツ W124 W1型メルセデスのモノワイパーは分解修理で安く直せる Maintenance Lab Archive メンテナンス ラボ アーカイブ



キューブワイパー不良 油っ手で書く日記



Hys様 ワイパーが動かない 確認します スタッフブログ ローバーミニ専門店キャメルオート



フロントガラスにワイパー跡ができてしまうのはどうして 原因と対処方法をご紹介 ダックス Glassstyle グラススタイル 公式サイト



12アルファロメオ ジュリエッタ リアワイパー動作不具合 何故か途中で止まる なおそうやのブログ



ワイパー動かない 自分で直せる プロでもちょっと判断に迷う5つの故障原因 ブーマル



フロントワイパー途中で止まる プジョー 306 ハッチバック By Green 2 みんカラ



フィット アリア ワイパーが途中で止まってしまう グーネットピット



新しいコレクション ワイパー 途中で止まる ワイパー 途中で止まる



Ja11ジムニーに乗っています 本日当然ワイパーが動かなくなり Yahoo 知恵袋



c3ワイパーモーター交換作業



ワイパーモーター動いたけど 謎過ぎるので社外品に替えるか tag rodをつくろう



日産スカイラインgt R用 ワイパーアンプ の制御ic Lb8060 居酒屋ガレージ日記



新しいコレクション ワイパー 途中で止まる ワイパー 途中で止まる



ワイパーモータ オーバーホール For Mini 16 10 2追記 Garage Blog



ど素人でもデキた プリウスワイパーモーター交換 10分2250円 Youtube



自動車 Miniと過ごすgaragelife



フロントワイパー途中で止まる プジョー 306 ハッチバック By Green 2 みんカラ



リヤワイパーが動かない カオルの日記帳



ワイパー動かない 自分で直せる プロでもちょっと判断に迷う5つの故障原因 ブーマル



ワイパーモーターの配線が判らないんだが 間欠スイッチなるもの tag rodをつくろう



サンバー ワイパーオートストップが効かない修理 Mho Engineering



ワイパーが途中で止まる Mid Land



フロントワイパー途中で止まる プジョー 306 ハッチバック By Green 2 みんカラ



Bmw ワイパーが動かない原因とは 止まらない場合の対処法



ガガガッってなんの音 ワイパーから異音が鳴ったときに注意すること 自動車情報誌 ベストカー



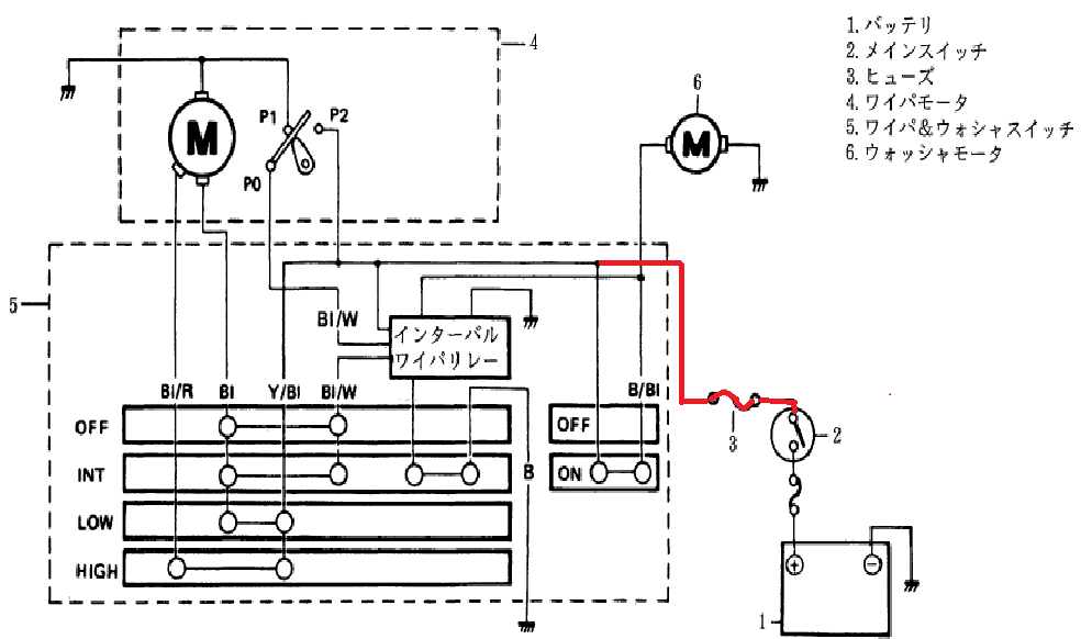
ワイパーリレーとスイッチ



ワイパーが ビビる とは その原因と対策



高難度 ワイパー修理 その7 Sanryuseibisi 19のブログ



ワイパーの遅いジムニー ワイパーの遅いジムニー いませんか ワイパーリンク モーター交換前に 給油にチャレンジ Xxmotors



リヤワイパーが動かない カオルの日記帳



c3ワイパーモーター交換作業



大町市 白馬村 安曇野 有 矢口自動車修理工場 スズキアルト ワイパーモーターリコールと愛車無料点検実施



Star Parts通販おすすめはフロントワイパーブレードセット トヨタ ウィンダム 型式mcv Mcv21用 マルエヌ Up55 Up45 フロントワイパーブレード ミューチャンププローヴァワイパーブレード 型式 Mcv セット ワイパー クリップ ワイパーブレード フロント用 有名な



三菱 デリカスペースギア ワイパー途中で止まる修理 ワイパーモーター交換 松戸市 グーネットピット



新しいコレクション ワイパー 途中で止まる ワイパー 途中で止まる



ワイパーが動かない時がある コンピューター管理は快適だが修理不能 車の検査報告書



ワイパーが動かない 意外な原因 札幌で車の傷修理や板金塗装なら



ワイパーオートストップスイッチ Miniと過ごすgaragelife



カイエン ワイパー動かない ルガラージュ 作業日記 施工事例



大町市 白馬村 安曇野 有 矢口自動車修理工場 スズキアルト ワイパーモーターリコールと愛車無料点検実施



ミニいじり9 4 ワイパー修理 絵で見るカメラ Plus



再々チャレンジ ワイパーモーターの配線確認 tag rodをつくろう



349 684km ワイパーモーター不良の原因 フォルクスワーゲン ゴルフ ハッチバック By ゴルフ89 みんカラ



パレット ワイパーが動かない原因 Mho Engineering



ワイパーが途中で止まる以前ワイパーを動かしてる時に紐が絡まってしま Yahoo 知恵袋



ウォッシャー液が出ない原因は 詰まり 片方だけ出が悪い ヒューズ切れ 冬の洗浄液の凍結対策を紹介 車メンテ



間欠ワイパーが途中で止まってしまい しばらくするとまた少し動く Yahoo 知恵袋



三菱 デリカスペースギア ワイパー途中で止まる修理 ワイパーモーター交換 松戸市 グーネットピット



三菱 デリカスペースギア ワイパー途中で止まる修理 ワイパーモーター交換 松戸市 グーネットピット



フロントワイパー途中で止まる プジョー 306 ハッチバック By Green 2 みんカラ



s30zのワイパーモーター修理 ティーコレクション ブログ



リヤワイパーが動かない カオルの日記帳



パレット ワイパーが動かない原因 Mho Engineering



ワイパーモータ オーバーホール For Mini 16 10 2追記 Garage Blog



冬にワイパーを立てる方が良い4つの理由と忘れがちな ワイパー タカハシのこれ何ブログ



W3のワイパーゴム どうやって交換してますか あばん ぎゃるどのメルセデス ベンツ Eクラスクーペ Cクラス



ワイパーの遅いジムニー ワイパーの遅いジムニー いませんか ワイパーリンク モーター交換前に 給油にチャレンジ Xxmotors



ワイパー動かない 自分で直せる プロでもちょっと判断に迷う5つの故障原因 ブーマル



ドレインの詰まりが原因 コロナウイルスの影響で商談延期 Blog版極楽輸入車生活 日本全国納車のシーコネクション



ワイパーが動かなくなった修理 その修理費用は エリシオン 整備士ノート



新しいコレクション ワイパー 途中で止まる ワイパー 途中で止まる



なぜ高級車はワイパーを立てることができないのか



犯人の居場所はどこ その2 Miniと過ごすgaragelife



再々チャレンジ ワイパーモーターの配線確認 tag rodをつくろう



フロントワイパー途中で止まる プジョー 306 ハッチバック By Green 2 みんカラ



車のワイパー音がうるさい原因は ガガガ キュ とビビリ音がする ゴム ブレードの交換時期を紹介 車メンテ



ワイパーオートストップスイッチ Miniと過ごすgaragelife



ワイパーが動かない時の原因 対処法 ダックス Glassstyle グラススタイル 公式サイト



車



スズキ純正ワイパーモーター取り付け スズキ ワゴンr By Hiro Y みんカラ



ワイパーリンクの交換



サンバー ワイパーオートストップが効かない修理 Mho Engineering



ワイパーが動かない 意外な原因 札幌で車の傷修理や板金塗装なら
コメント
コメントを投稿